- alt + F = Vorlesen für fokussierte Elemente
- alt + M = Vorlesen für markierte Elemente
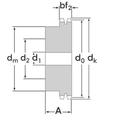
Wichtige Maschinenelemente wie Rollenketten übertragen über Kettenräder und Kettenradscheiben Ihre Antriebsleistung und werden passend zum Profil der eingesetzten Rollenkette gewählt. Die Wellen- Scheiben- oder Rad Verbindung erfolgt über eine Fertigbohrung. Kettenräder sind teilweise vorgebohrt und müssen vor dem Einsatz auf die gewünschte Passbohrung mit entsprechender Nut zerspant werden. Rollenketten werden in den verschiedensten Anwendungsgebieten wie dem allgemeinen Maschinen- & Anlagenbau, der Fördertechnik, der Lagerlogistik, Landmaschinen, der Sägeindustrie und vielen weiteren industriellen Anlagen eingesetzt als Antriebselement.
Herstellerinformationen:
TOP INDUSTRIETEILE Chemnitzer Straße 11 14612 Falkensee service@top-industrieteile.de WEEE-Nummer:
Verantwortliche Person:
TOP INDUSTRIETEILE Patrick Scholtz Chemnitzer Straße 11 14612 Falkensee DE service@top-industrieteile.de https://top-industrieteile.de/
| Hersteller | TOP INDUSTRIETEILE |
|---|---|
| Lichteweite | 3 |
| Teilung mm | 8 |
| Rollendurchmesser mm | 5 |
| Norm | DIN 8187 / ISO 606 |
| Zahnbreite mm | 8.3 |
| Kettentyp | 05B-2 |
| Marke | Top Industrieteile |
| Ausführung | Duplex |
| Material | Stahl |
| Zähnezahl | 12 |
| Teilkreis d0 in mm | 30.91 |
| Nabendurchmesser mm | 21 |
| Gesamtlänge mm | 18 |
| Vorbohrung mm | 10 |
| Bohrung max. mm | 13 |
| Artikelnummer | KRVB05B2Z12 |
| Herkunftsland | Asien |
| Gewicht (in kg) | 0,050 |
| Wellenaufnahme | Bohrung |
| Ist die Paketebene bestellbar? | Nein |
* gilt für Lieferungen innerhalb Deutschlands, Lieferzeiten für andere Länder entnehmen Sie bitte der Schaltfläche mit den Versandinformationen